|
|
|
| Q41F-25\Q41F-40液化氣球閥 |
| 產品型號:Q41F |
 |
 |
|
性能規范:
|
公稱壓力PN
|
2.5
|
4.0
|
|
|
殼體試驗壓力PN
|
3.75
|
6.0
|
|
高壓密封試驗壓力
|
2.75
|
4.4
|
|
適用介質
|
液化氣、天然氣、蒸汽、油品
|
|
適用溫度
|
-40∽+150℃
|
|
法蘭連接標準
|
JB/T:2.5,4.0MPa
|
Q41F-25,40法蘭球閥
通徑(DN):15-200(mm)
壓力(PN):2.5,4.0MPa |
|
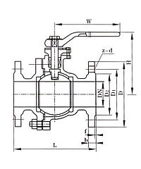
主要外型尺寸和連接尺寸:
|
PN
|
DN
|
L
|
H
|
D
|
D1
|
D2
|
b
|
f
|
Z-φd
|
D0
|
|
|
15
|
130
|
82
|
95
|
65
|
45
|
16
|
2
|
4-14
|
130
|
|
|
20
|
140
|
100
|
105
|
75
|
55
|
16
|
2
|
4-14
|
140
|
|
|
25
|
150
|
104
|
115
|
85
|
65
|
16
|
2
|
4-14
|
150
|
|
|
32
|
165
|
134
|
135
|
100
|
78
|
18
|
3
|
4-18
|
170
|
|
|
40
|
180
|
140
|
145
|
110
|
85
|
18
|
3
|
4-18
|
230
|
|
|
50
|
200
|
155
|
160
|
125
|
100
|
20
|
3
|
4-18
|
230
|
|
|
65
|
220
|
180
|
180
|
145
|
120
|
22
|
3
|
8-18
|
300
|
|
|
80
|
250
|
200
|
195
|
160
|
135
|
22
|
3
|
8-18
|
400
|
|
|
100
|
320
|
222
|
230
|
190
|
160
|
24
|
3
|
8-23
|
400
|
|
|
125
|
400
|
236
|
270
|
220
|
188
|
28
|
3
|
8-25
|
1100
|
|
|
150
|
400
|
295
|
300
|
250
|
218
|
30
|
3
|
8-25
|
1100
|
|
|
200
|
500
|
342
|
360
|
320
|
282
|
34
|
4
|
12-25
|
1500
|
|
|
|
|